SWIMMING POOL AND SPA PRODUCTS LINEUP
Complete Catalogue
2025 Edition • All our products in one document
View & Download our complete catalogue with technical specifications, images, and detailed information on all our products.
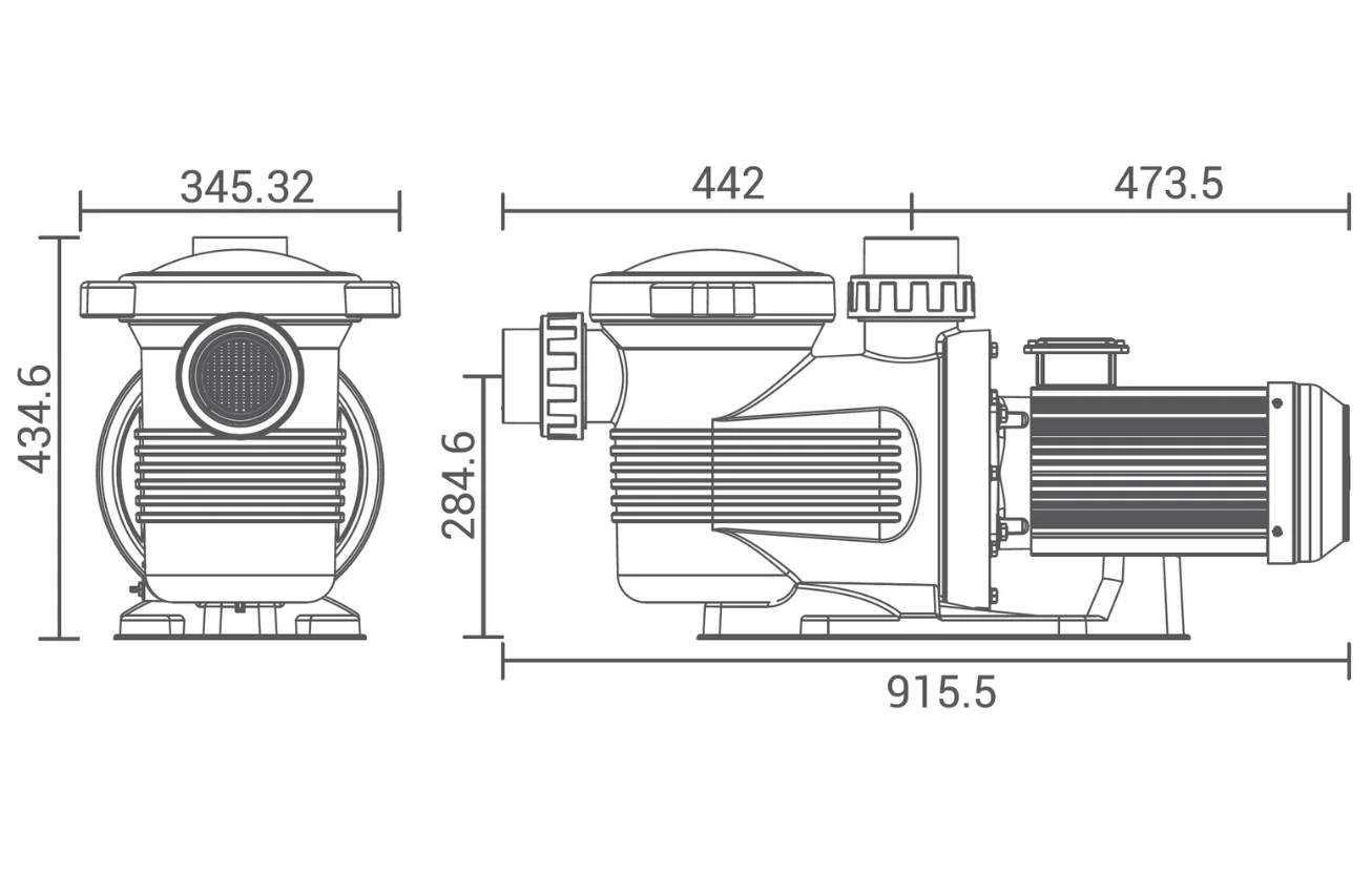
Ongane Ultime-Power
Commercial Pool Pump

The Ongane Ultime-Power Pumps are designed for top-notch performance, achieving the highest flows among similar products in the market. Thanks to cutting-edge engineering, these pumps stand out with a one-piece molded body and a large 8-liter strainer basket. Made from durable materials like corrosion-resistant thermoplastic and a superior seawater graded mechanical seal, they ensure a long-lasting and reliable working life.
The Ongane Ultime-Power Pumps feature 3-phase motors with three varying power choices: 4.0hp, 5.5hp, and 7.0hp and 3" connection union. The pumps are suitable for commercial and seawater facilities due to their energy-saving and highly efficient hydraulic performance.
Technical Information:
| Model | Voltage | Input Power ( kW ) | Current ( Amp ) | Noise ( dB ) | Horsepower ( hp ) | RPM ( Kg ) | Flow Rate ( m³/h ) @ | |||||
|---|---|---|---|---|---|---|---|---|---|---|---|---|
| 8m | 10m | 12m | 14m | 16m | 18m | |||||||
| FO400UP | 380-415V / 50Hz | 3 | 5.5 | 70 | 4 | 2850 | 64 | 62 | 53 | 42 | 30 | - |
| FO550UP | 380-415V / 50Hz | 4 | 8 | 72 | 5.5 | 2850 | 82 | 75 | 66 | 58 | 43 | 28 |
| FO700UP | 380-415V / 50Hz | 5 | 10 | 72 | 7 | 2850 | 96 | 90 | 82 | 72 | 60 | 45 |
Product Dimensions:





